电快速瞬变脉冲群eft试验的目的是验证电子设备对开关类器件如继电器触点弹跳、高压开关切换、感性负载切换等引起的瞬态干扰的抗扰能力。这种试验方法是通过eft信号发生器,生成一组瞬态的脉冲信号,通过传导或容性耦合的方式加到电源线、信号线上。eft信号的主要指标有三个:单个脉冲波形、脉冲的重复频率和输出电压峰值。iec 61000-4-4要求的发生器输出波形应如下图所示。eft是由间隔为300ms的连续脉冲串构成,每一个脉冲串持续15ms,脉冲波形组成,单个脉冲的上升沿5ns,持续时间50ns,重复频率5khz和100khz。
1、首先我们来看如何生成单个eft脉冲信号。
第一步,创建一个简单的电路图。
第二步,创建trans任务,选择激励信号选择double exponential,eft的电压可以通过vpulse的值进行调整。
第三步,设置求解时间,这个值要大于一个脉冲的时间,开始运行。
第四步,查看仿真波形,可以看出eft信号是1000v,单个脉冲的上升沿5ns,持续时间50ns,满足标准要求。
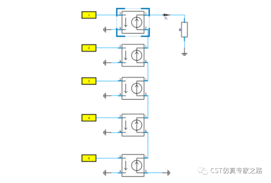
2、接下来给大家演示如何生成周期性的eft脉冲群信号。
第一步,在单个脉冲的基础上,用cst自带的电流控制开关。例子中用了5个,用来生成5个脉冲信号,如果需要更多的脉冲信号,串联更多的电流控制开关即可。
第二步,在设置激励信号时,要注意每个端口要设置一定的delay时间,以100khz的重复频率来计算,delay时间就是10000ns。下面是port1、2、3的设置举例。
port1
port2
port3
第三步,设置求解时间,这个值要大于总的脉冲的时间,开始运行。运行后,从p1可以看到多个脉冲信号。这个信号可以作为eft脉冲群信号的激励源。
特别感谢:上海施耐德电气emc专家张凤莲提供的该方法。
(内容、图片来源:altair官方文件)
和记娱乐怡情博娱188的版权与免责声明:
凡未注明作者、来源的内容均为转载稿,如出现和记娱乐怡情博娱188的版权问题,请及时联系和记娱乐怡情博娱188处理。我们对页面中展示内容的真实性、准确性和合法性均不承担任何法律责任。如内容信息对您产生影响,请及时联系和记娱乐怡情博娱188修改或删除。
2025-12-05
[行业资讯] simulia简介-abaqus代理经销商思茂信息
2025-12-05
[行业资讯] 如何合理选购abaqus软件并获取报价?达索代理商思茂信息
2025-12-05
[行业资讯] 思茂信息亮相2025省博士创新站活动 共探产学研新路径
2025-12-02
[cst] cst软件探索eft虚拟测试:从iec标准到3d仿真实战
2025-12-01
[abaqus] abaqus中理想弹塑性模型和弹塑性硬化模型区别
2025-11-28
2025-11-28
2025-11-28
[abaqus] 上课啦!达索系统 simulia abaqus pcb仿真
2025-11-26
[cst] 无参优化器:利用cst和tosca进行拓扑优化之单极天线(
2025-11-26
2023-08-29
2023-08-24
[abaqus] abaqus如何建模?abaqus有限元分析教程
2023-07-07
[abaqus] 有限元分析软件abaqus单位在哪设置?【操作教程】
2023-09-05
[abaqus] abaqus软件中interaction功能模块中的绑定接
2023-07-19
[abaqus] abaqus怎么撤回上一步操作?abauqs教程
2024-05-01
[abaqus] abaqus里面s11、s12和u1、u2是什么意思?s和
2023-08-30
[abaqus] abaqus单位对应关系及参数介绍-abaqus软件
2023-11-20
[abaqus] abaqus软件教程|场变量输出历史变量输出
2023-07-18
[abaqus] abaqus中的s、u、v、e、cf分别是什么意思?
2024-05-11
[行业资讯] simulia简介-abaqus代理经销商思茂信息
2025-12-05
2025-12-05
[行业资讯] 如何合理选购abaqus软件并获取报价?达索代理商思茂信息
2025-12-05
[行业资讯] 思茂信息亮相2025省博士创新站活动 共探产学研新路径
2025-12-02
[行业资讯] 正版abaqus全国代理商:思茂信息——达索授权认证
2025-11-25
[行业资讯] 怎么联系cst studio suite代理商?达索sim
2025-11-25
2025-11-24
[行业资讯] 广东有限元分析软件abaqus采购指南-认准达索授权思茂信
2025-11-21
[行业资讯] 达索abaqus、cst代理商采购流程-指定授权代理商思茂
2025-11-21
[行业资讯] 广东2025半导体及零部件学会发展论坛落幕,广州思茂信息获
2025-11-20
地址: 广州市天河区天河北路663号广东省机械研究所8栋9层 电话:020-38921052 传真:020-38921345 邮箱:thinks@think-s.com
和记娱乐app官网登录 copyright © 2010-2023 广州思茂信息科技有限公司 all rights reserved. 粤icp备11003060号-2