esd仿真能够帮助用户更好地理解系统特性、查看电流分布、查看线缆线路上的电压,这些在esd测量中是相对困难的。但esd电磁仿真不能帮我们判断esd对eut的影响,比如物理损坏或是否能工作这类的问题,这个要注意。
说到esd,就一定要提iec61000-4-2标准,当然还有一些其他的esd标准,比如iso10605、hbm、mm、cdm等等,建议没有esd基础的朋友先学习一下这些标准,了解区别之后,再看esd的仿真。esd静电放电仿真属于emc仿真大类,相关求解器为时域求解器t或tlm,或静电es。
esd又可以分成接触放电(contact)和空气放电(air);这两种仿真方法差别很大,其中接触放电比较容易,因为知道接触点和电流路径。
这期我们先看iec61000-4-2的接触放电电路,标准要求:
电流波形初始上升沿0.7-1ns,峰值3.75a/kv,误差上下10%;30ns时电流2a/kv,误差上下30%;60ns时电流为1a/kv,误差上下30%。
有人可能不明白了,电流不是a吗?怎么成了a/kv了? 这是对电压归一化了,因为esd的电压是2-8kv,分四个等级(2kv,4kv,6kv和8kv),测试中只要没事就逐级加压。所以,总结刚才的要求如下表:
由误差标准和能量等级来看,基本上我们就重点关注第一个电流峰值就可以了,第二个峰值之后的波形在各种esd仿真或测试中不尽相同,很大程度上和esd枪的接地有关。
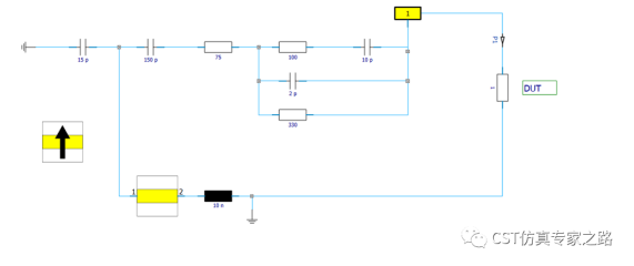
下面我们想一想这样的波形最简单的仿真实现方法是什么呢?当然是搭电路喽:
这里1欧姆是代表dut,还用了一段理想的传输线,193.6mm长,225欧姆阻抗,用来模拟esd枪的接地背带(strap)。
信号电压参数化,上升沿1ns:
扫参获得电压电流:
可见:
若用225欧电阻替代传输线,电流波形是这样的:
若没有传输线(短接),电流波形是这样的:
若有传输线,但长度加大10倍(加大延时),电流波形是这样的:
小结:
1. esd仿真可用电路或三维,本案例是iec61000-4-2的接触放电电路之一。
2. esd发射电路可用来代替三维的esd枪,优点是计算快,不会有低质量esd枪三维模型的电磁场影响dut的问题。缺点是没有高质量的esd枪三维模型的结果准确。
3. 使用该esd电路要注意先校准和调试,esd枪的阻抗最好也放进电路中一起校准,可使用cst特有的transient co-simulation场路协同纯瞬态仿真,效果更好。
(内容、图片来源:cst仿真专家之路公众号,侵删)
和记娱乐怡情博娱188的版权与免责声明:
凡未注明作者、来源的内容均为转载稿,如出现和记娱乐怡情博娱188的版权问题,请及时联系和记娱乐怡情博娱188处理。我们对页面中展示内容的真实性、准确性和合法性均不承担任何法律责任。如内容信息对您产生影响,请及时联系和记娱乐怡情博娱188修改或删除。
2025-12-05
[行业资讯] simulia简介-abaqus代理经销商思茂信息
2025-12-05
[行业资讯] 如何合理选购abaqus软件并获取报价?达索代理商思茂信息
2025-12-05
[行业资讯] 思茂信息亮相2025省博士创新站活动 共探产学研新路径
2025-12-02
[cst] cst软件探索eft虚拟测试:从iec标准到3d仿真实战
2025-12-01
[abaqus] abaqus中理想弹塑性模型和弹塑性硬化模型区别
2025-11-28
2025-11-28
2025-11-28
[abaqus] 上课啦!达索系统 simulia abaqus pcb仿真
2025-11-26
[cst] 无参优化器:利用cst和tosca进行拓扑优化之单极天线(
2025-11-26
2023-08-29
2023-08-24
[abaqus] abaqus如何建模?abaqus有限元分析教程
2023-07-07
[abaqus] 有限元分析软件abaqus单位在哪设置?【操作教程】
2023-09-05
[abaqus] abaqus软件中interaction功能模块中的绑定接
2023-07-19
[abaqus] abaqus怎么撤回上一步操作?abauqs教程
2024-05-01
[abaqus] abaqus里面s11、s12和u1、u2是什么意思?s和
2023-08-30
[abaqus] abaqus单位对应关系及参数介绍-abaqus软件
2023-11-20
[abaqus] abaqus软件教程|场变量输出历史变量输出
2023-07-18
[abaqus] abaqus中的s、u、v、e、cf分别是什么意思?
2024-05-11
[行业资讯] simulia简介-abaqus代理经销商思茂信息
2025-12-05
2025-12-05
[行业资讯] 如何合理选购abaqus软件并获取报价?达索代理商思茂信息
2025-12-05
[行业资讯] 思茂信息亮相2025省博士创新站活动 共探产学研新路径
2025-12-02
[行业资讯] 正版abaqus全国代理商:思茂信息——达索授权认证
2025-11-25
[行业资讯] 怎么联系cst studio suite代理商?达索sim
2025-11-25
2025-11-24
[行业资讯] 广东有限元分析软件abaqus采购指南-认准达索授权思茂信
2025-11-21
[行业资讯] 达索abaqus、cst代理商采购流程-指定授权代理商思茂
2025-11-21
[行业资讯] 广东2025半导体及零部件学会发展论坛落幕,广州思茂信息获
2025-11-20
地址: 广州市天河区天河北路663号广东省机械研究所8栋9层 电话:020-38921052 传真:020-38921345 邮箱:thinks@think-s.com
和记娱乐app官网登录 copyright © 2010-2023 广州思茂信息科技有限公司 all rights reserved. 粤icp备11003060号-2