随着我国轨道交通的快速发展和人民生活水平的不断提高,轨道交通产生的环境噪声已引起了人们的高度关注。国内外研究结果表明,轮轨滚动噪声是重要的噪声源之一,并且钢轨传播的噪声占有很大的比重。因此,准确地预测钢轨声辐射特性对改善环境噪声具有重要的指导意义。
本文通过 abaqus-lms virtual lab 的联合仿真技术建立了钢轨声学计算模型。首先建立高速铁路钢轨-扣件三维有限元模型,求解模型在外激励作用下钢轨的动力学响应,以此作为声学边界条件,采用边界元方法对钢轨的声辐射特性进行了分析。
2. 有限元模型
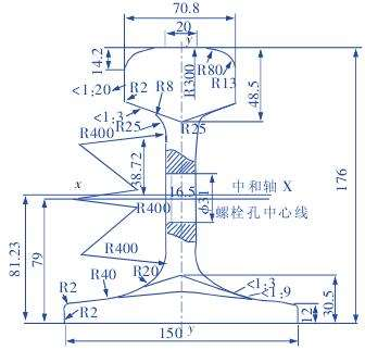
本文以我国轨道交通普遍使用的 chn60 钢轨为研究对象,钢轨截面如图 1所示。如图 2 所示,建立钢轨的有限元模型,并采用弹簧-阻尼单元模拟扣件系统。
图 1 chn60 钢轨截面(单位:mm)
(a)钢轨截面网格划分
(b)钢轨-扣件三维有限元模型
图 2 钢轨-扣件模型
3. 钢轨振动响应
在有限元分析软件中,建立 19.5 m 长的钢轨-扣件三维有限元模型,并对其进行谐响应求解,频率设定范围为 0-5 000 hz。在钢轨顶面中间位置施加两个稳态荷载,前后间隔 2.5 m,高速铁路运行车辆的轮轨作用力大致处于 60~80 kn,本文的谐响应分析中选取 70 kn 的载荷,载荷在纵向、横向的空间分布位置如图 3 所示。
(a) 钢轨施加荷载横向位置
(b) 钢轨施加荷载纵向位置
图 3 钢轨施加稳态荷载位置
选取扣件处轨顶、轨腰和轨底处响应点,它们的动力学响应如图 4 所示。钢轨顶部位移最大,其次是轨腰,轨底位移最小;这是由于钢轨顶部直接受到载荷作用,能量最大,通过传递,越靠近钢轨底部,能量逐渐衰减,到钢轨底部时能量最小。
4. 钢轨声辐射特性
求解得到钢轨的振动响应作为边界条件,在声学分析软件 lms virtual.lab中建立间接边界元计算模型,以获得钢轨外自由声场的声辐射特性。
本文中建立的模型满足了模型最大单元尺寸不大于计算频率最短波长的 1/6的计算要求,边界元方法理论适用于本文的研究。
建立 20×15 m 的自由声场场点,图 4 为钢轨在稳态荷载作用下的横向声场分布云图,钢轨在横向声场的声场分布与点声源辐射声场类似,分布比较对称。在 1 000 hz 以内,钢轨辐射声场指向性明显,当频率逐渐提高时,远场声场分布杂乱,指向性不明显。
图 4 稳态荷载作用下横向声场分布
自由声场下的场点分布示意图如图 5 所示。钢轨横向声场位于钢轨跨中位置,钢轨上方运行车辆在 10 m 范围内,下方由于考虑刚性面板的反射作用,声场距离设置影响不大。因此,左右横向场点各 10 m,上方 10 m,下方 6 m 的范围内,声场网格间距为 1 m.sfi(i=1,2,3…)为半自由声场中的声场场点,总共计算8 个场点。
图 5 自由声场场点分布图
图 6 声压级对比
如图 6 所示,钢轨上方场点的声压级随着距离的增加逐渐减小,具有较好的规律性,同时,反映出左右两侧的声压级随着距离的增加,声压级降低,代表声能量逐渐被消耗。
5.结论
本文对比计算了自由声场及考虑钢筋混凝土反射作用的钢轨声辐射之后,得出了如下的结论。
(1)自由声场中,钢轨横向的声场辐射与点声源类似,在低频段呈现左右、上下对称分布,但频率增高后,其分布规律出现杂乱现象。
(2)在横向声场中,场点的声压级随着距离的增大逐渐减小,钢轨辐射的声在传播的过程中能量逐渐被消耗,完全符合实际规律。
资料来源:达索官方
2025-12-05
[行业资讯] simulia简介-abaqus代理经销商思茂信息
2025-12-05
[行业资讯] 如何合理选购abaqus软件并获取报价?达索代理商思茂信息
2025-12-05
[行业资讯] 思茂信息亮相2025省博士创新站活动 共探产学研新路径
2025-12-02
[cst] cst软件探索eft虚拟测试:从iec标准到3d仿真实战
2025-12-01
[abaqus] abaqus中理想弹塑性模型和弹塑性硬化模型区别
2025-11-28
2025-11-28
2025-11-28
[abaqus] 上课啦!达索系统 simulia abaqus pcb仿真
2025-11-26
[cst] 无参优化器:利用cst和tosca进行拓扑优化之单极天线(
2025-11-26
2023-08-29
2023-08-24
[abaqus] abaqus如何建模?abaqus有限元分析教程
2023-07-07
[abaqus] 有限元分析软件abaqus单位在哪设置?【操作教程】
2023-09-05
[abaqus] abaqus软件中interaction功能模块中的绑定接
2023-07-19
[abaqus] abaqus怎么撤回上一步操作?abauqs教程
2024-05-01
[abaqus] abaqus里面s11、s12和u1、u2是什么意思?s和
2023-08-30
[abaqus] abaqus单位对应关系及参数介绍-abaqus软件
2023-11-20
[abaqus] abaqus软件教程|场变量输出历史变量输出
2023-07-18
[abaqus] abaqus中的s、u、v、e、cf分别是什么意思?
2024-05-11
[行业资讯] simulia简介-abaqus代理经销商思茂信息
2025-12-05
2025-12-05
[行业资讯] 如何合理选购abaqus软件并获取报价?达索代理商思茂信息
2025-12-05
[行业资讯] 思茂信息亮相2025省博士创新站活动 共探产学研新路径
2025-12-02
[行业资讯] 正版abaqus全国代理商:思茂信息——达索授权认证
2025-11-25
[行业资讯] 怎么联系cst studio suite代理商?达索sim
2025-11-25
2025-11-24
[行业资讯] 广东有限元分析软件abaqus采购指南-认准达索授权思茂信
2025-11-21
[行业资讯] 达索abaqus、cst代理商采购流程-指定授权代理商思茂
2025-11-21
[行业资讯] 广东2025半导体及零部件学会发展论坛落幕,广州思茂信息获
2025-11-20
地址: 广州市天河区天河北路663号广东省机械研究所8栋9层 电话:020-38921052 传真:020-38921345 邮箱:thinks@think-s.com
和记娱乐app官网登录 copyright © 2010-2023 广州思茂信息科技有限公司 all rights reserved. 粤icp备11003060号-2