本文介绍了在开关电源(升压转换器)中使用的电感器部分饱和磁材料的仿真工作流程。该工作流中包括印刷电路板和电力感应器的3d模型。
背景
三维电磁和电路共模拟的开关模式电源,如直流-直流转换器,涉及一个三维模型和一个电路模型。模拟三维模型cst studio suite和部件,通常以香料的形式,在电路示意图,咱们的设计工作室与3d模型连接。这种方法提供了一个精确的系统响应,但是不能用这种香料正确地建模场分布。特别是为了模拟只能用三维电感模型建模的电感器的磁场分布。
此外,当dcdc变换器的输出电流增加时,电感器的电流也增加。电感器直流电流的进一步增加将导致(部分)磁饱和,导致电感值的降低。
三维电磁和电路共模拟
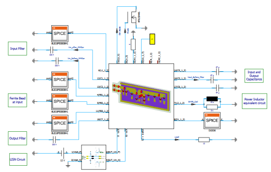
共同模拟的第一步是将多氯联苯的三维模型导入到科技委的mw系统中。组件连接使用离散端口建模.每一个离散端口都被激发,在三维模拟之后,s参数的结果是可用的。图1显示了多氯联苯模型和离散端口。
图1具有离散端口连接的直流直流转换器电路板模型
在此之后,电路组件如r、l、c、二极管和晶体管在示意图中与包含多氯联苯寄生信息的ccmws块连接。无源电路元件的电行为可以用香料模型或试金石模型来表示。对于有源电路组件,需要一个香料模型。图2显示了电路组件和cstm990块的完整连接。
图2mws块直流直流升压变换器仿真电路示意图
如前所述,为了在仿真中精确模拟电感器的场辐射,必须考虑线圈的三维模型。电感体的材料是用德贝伊1号来建模的。 标准的 -静渗透率为125的有序磁散模型。图3展示了cccmws内部的电源感应器的三维模型。在此之后,它将使用如图4所示的导入子项目特性放在电路板上,然后进行模拟。
图3电力感应器的三维模型
图43dmws中直流-dc提升转换器的三维电源电感连接
为了显示磁场辐射的差异,我们比较了一个离散端口的电力感应器电路建模的磁场图和3d电感器模型(图5)。
图5三维模型与离散端口功率电感模型的磁场比较
同样,我们也可以利用近场探测器观察磁场强度的差异。与近场监测相比,近场探测器提供了宽带结果。探测器置于电路板上方10毫米处。图6显示了3d电感模型和电路模型电力电感的h场比较。
图6三维模型与离散端口功率电感模型的h-场探针比较
测量远离电路板的磁场强度几乎没有区别。蓝色区域,如图5所示,表示当我们远离多氯联苯时磁场强度变得不那么明显的区域。
部分饱和磁性材料的建模
在提升变换器的实际应用中,当功率感应器受到高直流输入电流时,磁材料达到饱和状态,从而导致相对渗透性的变化。
用初始磁化b-h曲线的非线性行为描述了磁材料在模拟中的饱和效应。b-h曲线信息可以从组件供应商那里获得,也可以通过分析公式来描述。在这个博客中,我们使用了分析配方的材料定义,这是可以在vba宏下的ccc工作室套件中访问到的-&tg;材料&tg;创建分析软磁b(h)。此宏的接口如图7所示。
这个宏只能在一个低频率的cst工作室套件项目中看到。因此,如果您目前的ccc工作室套件项目是高频(hf)类型,请确保切换到低频项目类型。
初始渗透率、饱和磁化度和调整参数值是主要的材料输入定义,它们被自动创建为参数,并在参数列表窗口中列出。调优参数值控制饱和区域中b-h曲线的斜率,默认值为2。如果使用了bh曲线的已知点,则根据它自动计算调整参数值。
图7分析软磁b(h)定义
对于这个特殊的例子,初始渗透率是125.由于没有进一步的材料信息,优化参数和饱和磁化最初定义的默认值。这两个参数根据供应商数据表中的直流饱和电流信息进行调整,从而使初始电感值减少20%。电感值是用磁-静态(ms)求解器计算的。ms求解器同时计算电感值、可见电感矩阵和增量电感矩阵。由于磁材料的非线性,从增量电感矩阵中得到了电感值。
在图8中,我们说明了电感体渗透率的三种不同的空间分布。首先,低直流电流幅值,无饱和,我们可以清楚地看到初始渗透率均匀分布在电感体上。当直流电流增加时,在本例中,磁材料被部分饱和,我们可以观察到主要在线圈中心的渗透性降低。如果我们现在进一步增加直流电流,在这种情况下大约8a,磁材料饱和度增加,电感降低50%的初始值。线圈内部的渗透性现在大大降低.
图8不同饱和情况下的相对渗透性图
考虑饱和效应的模拟工作流
模拟工作流程可分为以下几个步骤:
l电感器软磁材料的非线性行为nt曲线建模。(见上一节)
l利用" 有偏见的费勒特-埃姆耦合器 在科技委设计工作室。这将自动创建两个耦合模拟项目,m-静态和em1(见图9)。
lm-静态工程利用ms求解器计算三维电感模型周围的偏光场。字段自动导出到em1项目。
em1项目是一个高频项目,包括:
l直流直流转换器的pc模型(必须手动导入)
l三维电感模型和场的m-静态项目。
l共模拟转换器的电路定义和瞬态任务仿真。
图9科技中心设计工作室有偏置铁氧体模拟
在m-静态模拟中,直流电流被定义为励磁。这种直流电流与升压变换器的输入电流相对应,可以用下列公式近似:
变换器的效率是一个新的,可以假定为90%.输入和输出电压以及输出电流是转换器的工作参数。对于这个例子,提升转换器的工作输入电压为12v,输出电压为19v。转换器的输出连接到一个12欧姆电阻器,代表一个静态负载,结果输出电流约为1.6a。开关频率固定在1.25兆赫,功率周期为35%。
对于高频模拟,em1项目,3d电路板模型是从odb 布局格式。然后,3d电感模型被放置在电路板上。电感器的另一端连接到端口(在本示例7中)。这个连接是不必要的,但非常有用,因为我们可以通过这个电感监控开关电压和电流。电感器与电路板的连接如图10所示。
图10通过端口7将三维电感模型与电路板连接
为了进行共同仿真,将在em1项目的示意图中定义电路连接。电路示意图连接与图2所示的类似,但没有电感香料模型。这是显而易见的,因为现在电感器已经被三维模型建模。端口7被直接短路的gnd符号,以建立与电路板的电气连接。将探测器"电源电感器"放在此连接上,以记录电感器的电流和电压。图11显示了针7的示意图连接。
图11pin7与已定义探针的示意图连接
通过对暂态任务的仿真,可以对变换器进行完整的系统仿真.当负载电流增加时,我们必须用上述公式再次计算输入电流,并重复m-静态和em1项目的模拟。
模拟结果
如图11所示,电源电感器上的开关电流可以用探测器在cc设计工作室进行监控。向电感器流入的直流电流的增大导致磁材料饱和,从而降低了磁材料的相对渗透性,从而降低了电感值。当电感值降低时,也可以观察到电感器上较高的电流脉动。从图中可以看到 12 ,将当前的波动与不饱和的情况进行比较。
在稳定状态下,在开关频率下观察到一个周期的电流波动.用2.8a直流输入电流模拟了饱和情况。
图12有和无饱和的电力感应电流
我们可以看到,在磁性材料未达到饱和的情况下,所观察到的电感电流会出现一个波波,其峰值到峰值的幅度约为265马。然而,当考虑到磁饱和度时,所观察到的电感电流会出现一个波波,其最高点约330ma。
为了检测电流波波是否影响发射结果,我们可以比较线路阻抗稳定网络(lis)的电流谱。如图所示 13.我们可以看到,在部分饱和情况下,只有1dbma增量(初始电感值减少20%),对于较高饱和情况,大约5dbua增量(例如,初始电感值减少50%)。由此得出结论,在此转换器实例中,饱和效应对电感器的发射影响很小。然而,选择合适的电感来避免饱和是很重要的。此外,重要的是要注意,如果在emi滤波器组件中考虑饱和效应,对emc性能的影响将变得更加明显。
图13lis的频域电流
结论
在本博客中,考虑到磁材料对提升转换器的饱和效应,展示了一个共同模拟工作流。该工作流是通过建立磁静态求解器与cstmws频率域求解器之间的耦合仿真实现的。在此例子中,电源电感器受不同的直流电流幅值来显示饱和效应。当电源电感饱和时,电感器上的电流波纹增大。类似的工作流可以应用于emi滤波器组件,在这些组件中,饱和度对emc性能的影响更大。
2025-12-05
[行业资讯] simulia简介-abaqus代理经销商思茂信息
2025-12-05
[行业资讯] 如何合理选购abaqus软件并获取报价?达索代理商思茂信息
2025-12-05
[行业资讯] 思茂信息亮相2025省博士创新站活动 共探产学研新路径
2025-12-02
[cst] cst软件探索eft虚拟测试:从iec标准到3d仿真实战
2025-12-01
[abaqus] abaqus中理想弹塑性模型和弹塑性硬化模型区别
2025-11-28
2025-11-28
2025-11-28
[abaqus] 上课啦!达索系统 simulia abaqus pcb仿真
2025-11-26
[cst] 无参优化器:利用cst和tosca进行拓扑优化之单极天线(
2025-11-26
2023-08-29
2023-08-24
[abaqus] abaqus如何建模?abaqus有限元分析教程
2023-07-07
[abaqus] 有限元分析软件abaqus单位在哪设置?【操作教程】
2023-09-05
[abaqus] abaqus软件中interaction功能模块中的绑定接
2023-07-19
[abaqus] abaqus怎么撤回上一步操作?abauqs教程
2024-05-01
[abaqus] abaqus里面s11、s12和u1、u2是什么意思?s和
2023-08-30
[abaqus] abaqus单位对应关系及参数介绍-abaqus软件
2023-11-20
[abaqus] abaqus软件教程|场变量输出历史变量输出
2023-07-18
[abaqus] abaqus中的s、u、v、e、cf分别是什么意思?
2024-05-11
[行业资讯] simulia简介-abaqus代理经销商思茂信息
2025-12-05
2025-12-05
[行业资讯] 如何合理选购abaqus软件并获取报价?达索代理商思茂信息
2025-12-05
[行业资讯] 思茂信息亮相2025省博士创新站活动 共探产学研新路径
2025-12-02
[行业资讯] 正版abaqus全国代理商:思茂信息——达索授权认证
2025-11-25
[行业资讯] 怎么联系cst studio suite代理商?达索sim
2025-11-25
2025-11-24
[行业资讯] 广东有限元分析软件abaqus采购指南-认准达索授权思茂信
2025-11-21
[行业资讯] 达索abaqus、cst代理商采购流程-指定授权代理商思茂
2025-11-21
[行业资讯] 广东2025半导体及零部件学会发展论坛落幕,广州思茂信息获
2025-11-20
地址: 广州市天河区天河北路663号广东省机械研究所8栋9层 电话:020-38921052 传真:020-38921345 邮箱:thinks@think-s.com
和记娱乐app官网登录 copyright © 2010-2023 广州思茂信息科技有限公司 all rights reserved. 粤icp备11003060号-2